Table of Contents

Materials and Structure

Menu

Prev

Next

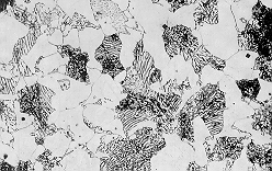
Changing the carbon content of the alloy changes the microstructure of the pearlite and hence the mechanical properties of the alloy. The vertical alloy composition line on the partial phase diagram is for a hypoeutectoid alloy with the composition Fe - 0.38 wt % C. Before transforming to pearlite, this material phases through the two-phase zone (yellow) between austenite and ferrite.

In cooling through this zone, ferrite is precipitated on the austenite grain boundaries. As the temperature is reduced, the austenite composition moves towards the eutectoid value, and at 727 C has reached this composition. The remaining austenite then transforms to pearlite as the sample is cooled further, however the proeutectoid ferrite is stable and remains in the final polycrystalline material. This is illustrated on the phase diagram and shown in the photomicrograph. The ductility of the ferrite makes this alloy more ductile than the eutectoid pearlite structure.

From: Callister, "Materials Science and Engineering," Wiley (1997)