Martensite
Index
Martensite is a metastable interstitial solid solution of carbon in iron. It is formed when austenite is quenched rapidly to room temperature and may have a bcc structure at low carbon concentrations or a body centered tetragonal structure at high carbon concentrations. The martensitic transformation involves lattice shear and can take place at the speed of sound.

Because it is not thermodynamically stable, martinsite can transform to pearlite or bainite if it is reheated to temperatures at which rapid carbon diffusion can occur. This process is used to control the hardness of heat treated steel samples.

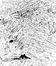
The photograph shows the microstructure of martensite in an 
Fe - 0.4 wt% C steel that was quenched from 1260 C. The magnification is 500 x.
 

From: Flinn and Trojan, 
"Engineering Materials and their Applications," 
Houghton Mifflin (1986)