Sintering
Index
Sintering is a process in which powder particles are joined together through diffusion reaction. The driving force for the sintering reaction is the reduction in surface energy that results from neck formation between the particles and densification of the material. Solid state diffusion processes govern the densification rate, and final material densities of 95% of theoretical density may be obtained. 

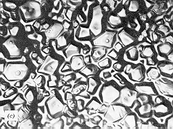
Sintering may also involve a liquid phase if some constituents of the starting powder have a low melting point. The photograph shows the surface of the sintered ceramic Forsterite, 2MgO.SiO2, where the liquid phase present during sintering is depressed below the surface due to surface tension forces.

From: Kingery, Bowen and Uhlmann, "Introduction to Ceramics," Wiley (1960)